
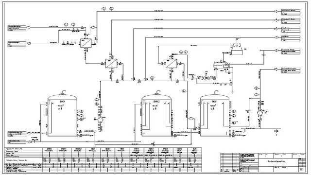
P&ID Design
Procedure charts help with the structure of such activities as boats and plants by engaging you to characterize sizes and hardware types, and to demonstrate framework task preceding submitting whenever to 3D plan.
NX empowers architects to spread out funneling and instrumentation charts (P&ID) in two measurements, while keeping up the plan attached to the 3D space model. P&ID Designer controls quicker writing, normal libraries among charting and 3D, availability approval, graphing to 3D, and gear level information the board.
Investigate the power and adaptability of NX Cloud Connected Products
Begin structuring with your free preliminary of NX Cloud Connected Products and figure out how you can create world-class items utilizing ground-breaking NX CAD capacities. NX Cloud Connected Products convey the elite structure abilities of NX, the main answer for item plan. Our free, online preliminary gives you a chance to attempt any of our NX Cloud Connected Products before you purchase. No establishment required; begin planning in minutes.

Investigate the power and adaptability of NX Cloud Connected Products
Begin structuring with your free preliminary of NX Cloud Connected Products and figure out how you can create world-class items utilizing ground-breaking NX CAD capacities. NX Cloud Connected Products convey the elite structure abilities of NX, the main answer for item plan. Our free, online preliminary gives you a chance to attempt any of our NX Cloud Connected Products before you purchase. No establishment required; begin planning in minutes.



Connectivity Validation
Confirm that channels and their associated gear are perfect preceding sending the graph to the directing group. P&ID Designer checks to approve that pipe breadths, association orders, and association types are steady between hardware, enabling you to make increasingly precise charts the first run through, in this way lessening expensive revise or assembling mistakes.




Diagramming-to-routing Integration
P&ID Designer causes you limit plan duplication by utilizing information made in 2D for the 3D configuration procedure. With P&ID Designer you can move graph information to 3D steering. Runs opened in 3D incorporate all hardware and from-to data. Show the outline amid directing to picture how the 3D course maps back to the chart.
Equipment-Level Data Management
NX P&ID Designer is based on Teamcenter, which stores and deals with all parts of a graph. This single wellspring of exact, endorsed, modern data engages you to control each part of a chart and supports reuse.




Faster Diagram Authoring
With NX P&ID Designer you can rapidly and effectively make P&ID graphs. A mutual library for channels and hardware makes arrangement quick and basic. Pilots for following runs and frameworks help to imagine how outlines are composed. P&ID Designer causes you center around the plan and invest less energy in chart creation.
Integrated 2D and 3D Libraries
Regular libraries among charting and steering in P&ID Designer help you guarantee that the correct hardware is utilized from plan to assembling. Availability structured in 2D is conveyed to 3D because of a common association map between gear ports, and libraries interface both 2D graphing images and the related 3D models.


NX for Design
The most powerful, flexible, and innovative product development solution in the industry, NX for Design has the features, performance, and capabilities to help you get product to market faster than ever before.



NX for Design
The most powerful, flexible, and innovative product development solution in the industry, NX for Design has the features, performance, and capabilities to help you get product to market faster than ever before.



Gate



Operating at full speed with PLM
Teamcenter forms the backbone of a comprehensive system that manages product development from the time an order is received to the delivery of its complete BOM to an ERP system
Gate



Operating at full speed with PLM
Teamcenter forms the backbone of a comprehensive system that manages product development from the time an order is received to the delivery of its complete BOM to an ERP system


